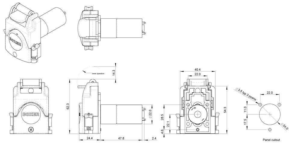
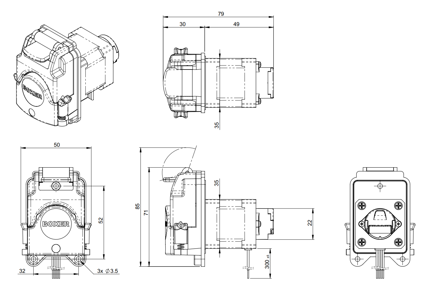
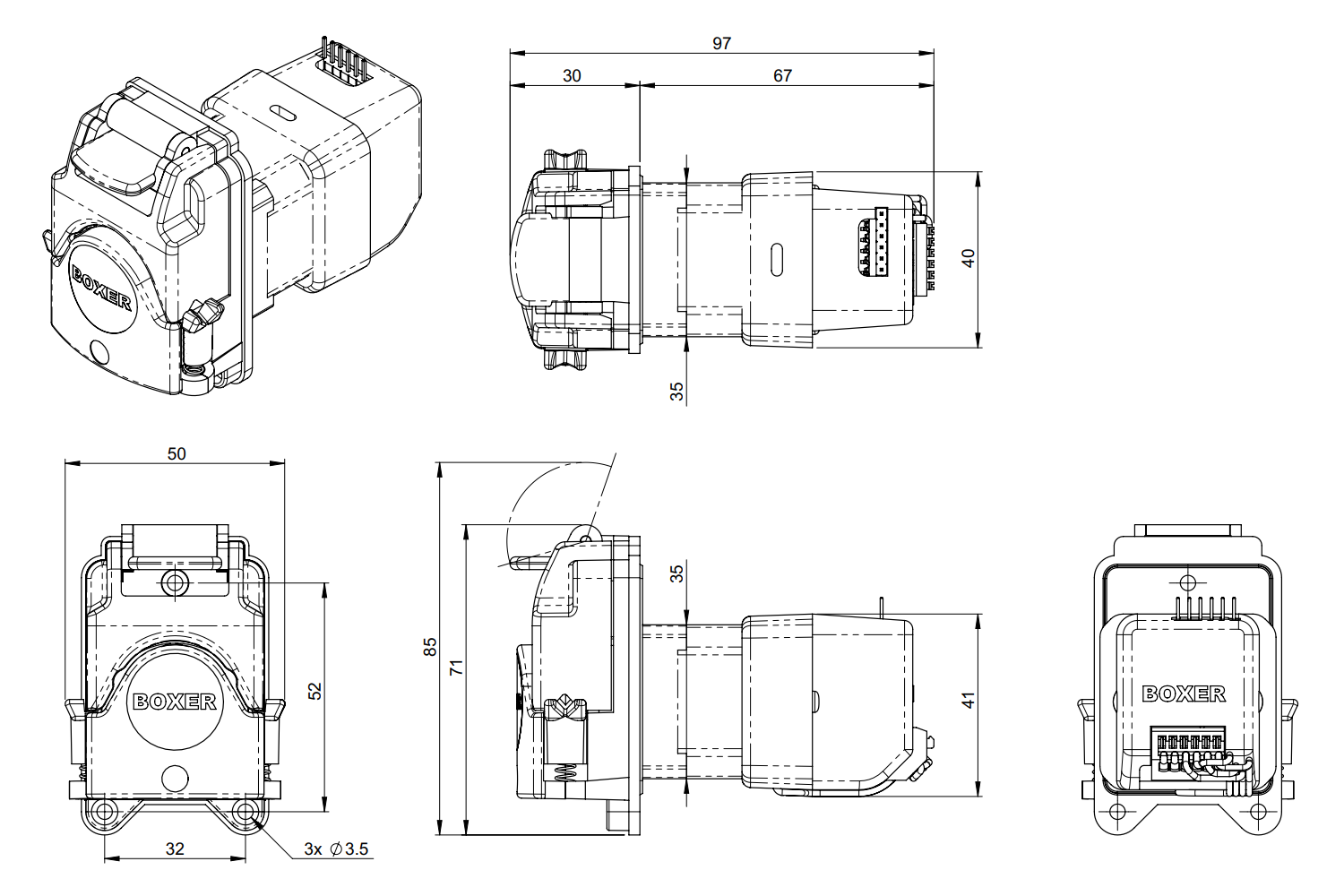
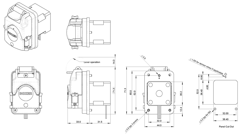
9QX Series
The 9QX is the smallest flip-top peristaltic pump available. With an elegant body design of just 40 x 62 mm (width x height) it stands just 21.5mm (depth) off a panel mount. The flip-top design allows tube loading and unloading with ultimate ease.
This series is the 3rd generation of the highly successful 9K miniature peristaltic pump from Boxer and is designed for accurate dispensing of liquids. It is available with DC/Gear or stepper motor drives.
DC / Gear motor versions offer a range of 15 to 520 rpm in 12 and 24 V DC with optional shaft encoder providing accurate feedback of rotor speed. Voltage / speed can be varied between 50 to 100% of nominal voltage / speed.
Stepper motors versions offer the versatility of finite speed / flow control, driver options (pump mounted or separate) and optional 3 channel encoder with home position or speed sensor.
› Flow rates from 0 to 200 ml/min
› Flip-top design for continuous tube
› Floating saddle for tube life > 2000 hours
› 5 different tube sizes
› 5 different tube materials
› 3 , 4 or 6 roller configuration
Tubing should be ordered separately.
Flow Data | |
ID Ø 0.5 mm tube | 16 / 15 / 13 µl per revolution (3 / 4 / 6 Roller) |
ID Ø 1.0 mm tube | 55 / 50 / 42 µl per revolution (3 / 4 / 6 Roller) |
ID Ø 2.0 mm tube | 190 / 160 / 120 µl per revolution (3 / 4 / 6 Roller) |
ID Ø 3.0 mm tube | 340 / 290 / 200 µl per revolution (3 / 4 / 6 Roller) |
ID Ø 3.5 mm tube | 400 / 340 / 230 µl per revolution (3 / 4 / 6 Roller) |
Available RPMs | |
12 V | 116 / 315 / 520 rpm |
24 V | 33 / 107 / 315 / 520 rpm |
Flow range (per tube ID and number of rollers) | |
33 rpm | ⇒ 33 rpm flow table |
107 rpm | ⇒ 107 rpm flow table |
116 rpm | ⇒ 116 rpm flow table |
315 rpm | ⇒ 315 rpm flow table |
520 rpm | ⇒ 520 rpm flow table |
Min. values are at 50% of nominal voltage | |
Power Consumption | 3.5 to 5.0 W |
Tube Materials | Pharm-a-line / Silicone / Lagoprene / ED-Plex |
Max pressure | 1 bar |
Max vacuum | -950 mbar |
DC motor life | >2000 hour |
Weight | 135 g |
Optional encoder | Hall sensor, 10 pulses per motor revolution |
Corresponding rotor speed depends on gear ratio | |
All data measured with 'run-in' Pharm-a-line tubing and H2O. |


Sofort verfügbar, Versand innerhalb 1 - 2 Tage
Sofort verfügbar, Versand innerhalb 1 - 2 Tage
Sofort verfügbar, Versand innerhalb 1 - 2 Tage
Sofort verfügbar, Versand innerhalb 1 - 2 Tage
Sofort verfügbar, Versand innerhalb 1 - 2 Tage
Sofort verfügbar, Versand innerhalb 1 - 2 Tage
Sofort verfügbar, Versand innerhalb 1 - 2 Tage
Zubehör
Sofort verfügbar, Versand innerhalb 1 - 2 Tage
Sofort verfügbar, Versand innerhalb 1 - 2 Tage
Sofort verfügbar, Versand innerhalb 1 - 2 Tage
Sofort verfügbar, Versand innerhalb 1 - 2 Tage
Sofort verfügbar, Versand innerhalb 1 - 2 Tage
Sofort verfügbar, Versand innerhalb 1 - 2 Tage
Sofort verfügbar, Versand innerhalb 1 - 2 Tage
Sofort verfügbar, Versand innerhalb 1 - 2 Tage
Sofort verfügbar, Versand innerhalb 1 - 2 Tage
Sofort verfügbar, Versand innerhalb 1 - 2 Tage


Sofort verfügbar, Versand innerhalb 1 - 2 Tage
Sofort verfügbar, Versand innerhalb 1 - 2 Tage
Sofort verfügbar, Versand innerhalb 1 - 2 Tage
Sofort verfügbar, Versand innerhalb 1 - 2 Tage
Sofort verfügbar, Versand innerhalb 1 - 2 Tage
Sofort verfügbar, Versand innerhalb 1 - 2 Tage
Sofort verfügbar, Versand innerhalb 1 - 2 Tage
Zubehör
Sofort verfügbar, Versand innerhalb 1 - 2 Tage
Sofort verfügbar, Versand innerhalb 1 - 2 Tage
Sofort verfügbar, Versand innerhalb 1 - 2 Tage
Sofort verfügbar, Versand innerhalb 1 - 2 Tage
Sofort verfügbar, Versand innerhalb 1 - 2 Tage
Sofort verfügbar, Versand innerhalb 1 - 2 Tage
Sofort verfügbar, Versand innerhalb 1 - 2 Tage
Sofort verfügbar, Versand innerhalb 1 - 2 Tage
Sofort verfügbar, Versand innerhalb 1 - 2 Tage
Sofort verfügbar, Versand innerhalb 1 - 2 Tage
Tube Size (ID) mm |
Flow per Revolution (µl) | Flow at 100 rpm (ml / min) | Flow at 300 rpm (ml / min) | Flow at 500 rpm (ml / min) |
Rollers: 3 / 4 / 6 | Rollers: 3 / 4 / 6 | Rollers: 3 / 4 / 6 | Rollers: 3 / 4 / 6 | |
∅ 0.5 mm tube | 16 / 15 / 13 | 1.6 / 1.5 / 1.3 | 4.8 / 4.5 / 3.9 | 8.0 / 7.5 / 6.5 |
∅ 1.0 mm tube | 55 / 50 / 42 | 5.5 / 5.0 / 4.2 | 16.5 / 15.0 / 12.6 | 27.5 / 25.0 / 21.0 |
∅ 2.0 mm tube | 190 / 160 / 120 | 19 / 16 / 12 | 57 / 48 / 36 | 95 / 80 / 60 |
∅ 3.0 mm tube | 340 / 290 / 200 | 34 / 29 / 20 | 102 / 87 / 60 | 170 / 145 / 100 |
∅ 3.5 mm tube | 400 / 340 / 230 | 40 / 34 / 23 | 120 / 102 / 69 | 200 / 170 / 115 |
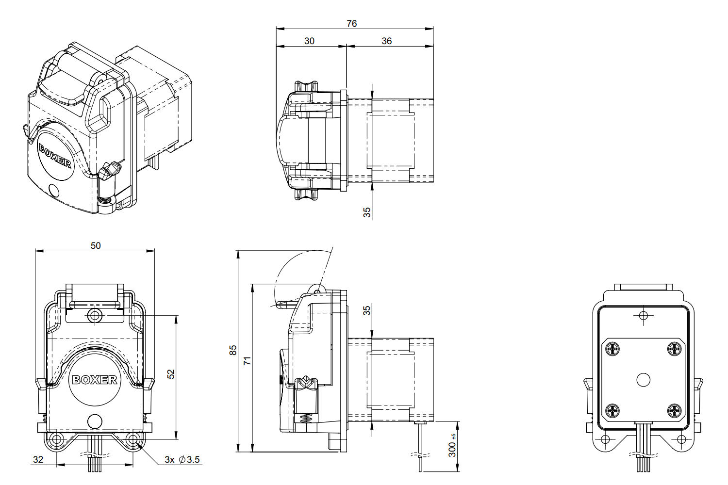
Tube Materials | Innovaprene / Innovasil (Silicone) / Pharm-a-line / Lagoprene / ED-Plex | |||
Driver Options | ||||
Pico | Analogue / PWM / Step Input driver, mounted directly on motor | |||
A2 | Analogue driver, separate component | |||
Sensor Options | ||||
Speed Sensor | Micro reed switch, contacts close once per revolution | |||
Encoder | 3 channel digital encoder, mounted on rear of motor | |||
General Data | ||||
Max Pressure | 1.0 bar | |||
Max Suctuion Height | 9.0 m H20 | |||
Power Consumption | Approx. 8.0 W | |||
Weight | 245 g (without driver / encoder) | |||
Full data available in PDF datasheet |


Sofort verfügbar, Versand innerhalb 1 - 2 Tage
Sofort verfügbar, Versand innerhalb 1 - 2 Tage
Sofort verfügbar, Versand innerhalb 1 - 2 Tage
Zubehör
Sofort verfügbar, Versand innerhalb 1 - 2 Tage
Sofort verfügbar, Versand innerhalb 1 - 2 Tage
Sofort verfügbar, Versand innerhalb 1 - 2 Tage
Sofort verfügbar, Versand innerhalb 1 - 2 Tage
Sofort verfügbar, Versand innerhalb 1 - 2 Tage
Sofort verfügbar, Versand innerhalb 1 - 2 Tage
Sofort verfügbar, Versand innerhalb 1 - 2 Tage
Sofort verfügbar, Versand innerhalb 1 - 2 Tage
Sofort verfügbar, Versand innerhalb 1 - 2 Tage
Sofort verfügbar, Versand innerhalb 1 - 2 Tage


Sofort verfügbar, Versand innerhalb 1 - 2 Tage
Sofort verfügbar, Versand innerhalb 1 - 2 Tage
Sofort verfügbar, Versand innerhalb 1 - 2 Tage
Zubehör
Sofort verfügbar, Versand innerhalb 1 - 2 Tage
Sofort verfügbar, Versand innerhalb 1 - 2 Tage
Sofort verfügbar, Versand innerhalb 1 - 2 Tage
Sofort verfügbar, Versand innerhalb 1 - 2 Tage
Sofort verfügbar, Versand innerhalb 1 - 2 Tage
Sofort verfügbar, Versand innerhalb 1 - 2 Tage
Sofort verfügbar, Versand innerhalb 1 - 2 Tage
Sofort verfügbar, Versand innerhalb 1 - 2 Tage
Sofort verfügbar, Versand innerhalb 1 - 2 Tage
Sofort verfügbar, Versand innerhalb 1 - 2 Tage


Sofort verfügbar, Versand innerhalb 1 - 2 Tage
Sofort verfügbar, Versand innerhalb 1 - 2 Tage
Sofort verfügbar, Versand innerhalb 1 - 2 Tage
Sofort verfügbar, Versand innerhalb 1 - 2 Tage
Sofort verfügbar, Versand innerhalb 1 - 2 Tage
Sofort verfügbar, Versand innerhalb 1 - 2 Tage
Zubehör
Sofort verfügbar, Versand innerhalb 1 - 2 Tage
Sofort verfügbar, Versand innerhalb 1 - 2 Tage
Sofort verfügbar, Versand innerhalb 1 - 2 Tage
Sofort verfügbar, Versand innerhalb 1 - 2 Tage
Sofort verfügbar, Versand innerhalb 1 - 2 Tage
Sofort verfügbar, Versand innerhalb 1 - 2 Tage
Sofort verfügbar, Versand innerhalb 1 - 2 Tage
Sofort verfügbar, Versand innerhalb 1 - 2 Tage
Sofort verfügbar, Versand innerhalb 1 - 2 Tage
Sofort verfügbar, Versand innerhalb 1 - 2 Tage


Sofort verfügbar, Versand innerhalb 1 - 2 Tage
Sofort verfügbar, Versand innerhalb 1 - 2 Tage
Sofort verfügbar, Versand innerhalb 1 - 2 Tage
Sofort verfügbar, Versand innerhalb 1 - 2 Tage
Sofort verfügbar, Versand innerhalb 1 - 2 Tage
Sofort verfügbar, Versand innerhalb 1 - 2 Tage
Zubehör
Sofort verfügbar, Versand innerhalb 1 - 2 Tage
Sofort verfügbar, Versand innerhalb 1 - 2 Tage
Sofort verfügbar, Versand innerhalb 1 - 2 Tage
Sofort verfügbar, Versand innerhalb 1 - 2 Tage
Sofort verfügbar, Versand innerhalb 1 - 2 Tage
Sofort verfügbar, Versand innerhalb 1 - 2 Tage
Sofort verfügbar, Versand innerhalb 1 - 2 Tage
Sofort verfügbar, Versand innerhalb 1 - 2 Tage
Sofort verfügbar, Versand innerhalb 1 - 2 Tage
Sofort verfügbar, Versand innerhalb 1 - 2 Tage
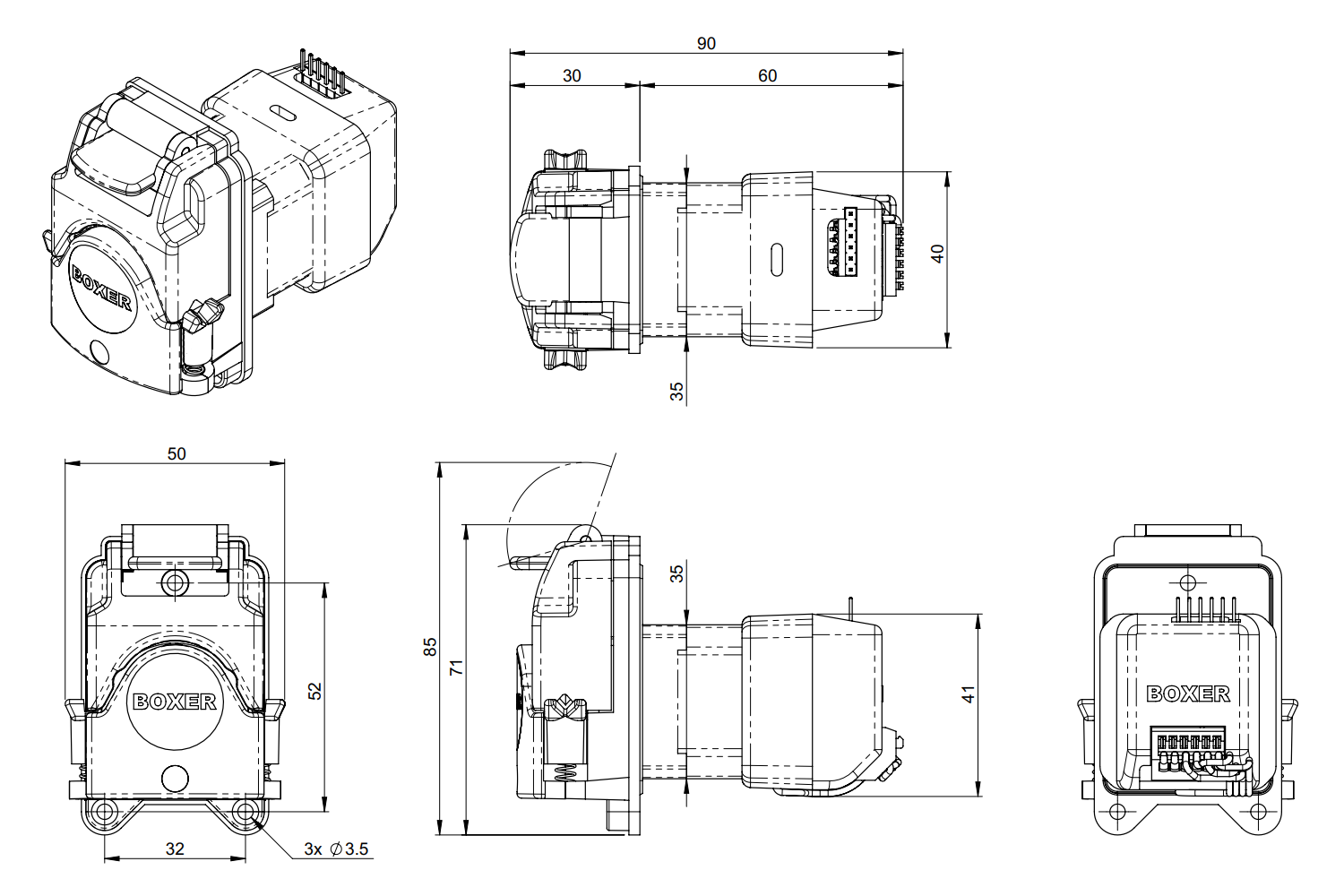
Flow Data | |
ID Ø 0.5 mm tube | 16 / 15 / 13 µl per revolution (3 / 4 / 6 Roller) |
ID Ø 1.0 mm tube | 55 / 50 / 42 µl per revolution (3 / 4 / 6 Roller) |
ID Ø 2.0 mm tube | 190 / 160 / 120 µl per revolution (3 / 4 / 6 Roller) |
ID Ø 3.0 mm tube | 340 / 290 / 200 µl per revolution (3 / 4 / 6 Roller) |
ID Ø 3.5 mm tube | 400 / 340 / 230 µl per revolution (3 / 4 / 6 Roller) |
RPM | 0 to 500 rpm |
Higher speeds are possible depending upon tube material, tube ID, number of rollers and driving method | |
Flow range (per tube ID and number of rollers) | ⇒ 500 rpm flow table |
Power Consumption | ca. 8.0 W |
2 amp driver recommended, current limiter should be used for low speed operation | |
Tube Materials | Pharm-a-line / Silicone / Lagoprene / ED-Plex |
Max pressure | 1 bar |
Max vacuum | -950 mbar |
Motor life | >10000 hour |
Weight | 245 g |
Optional encoder | Reed sensor, contacts close once per rotor revolution |
All data measured with 'run-in' Pharm-a-line tubing and H2O. |


Sofort verfügbar, Versand innerhalb 1 - 2 Tage
Sofort verfügbar, Versand innerhalb 1 - 2 Tage
Sofort verfügbar, Versand innerhalb 1 - 2 Tage
Sofort verfügbar, Versand innerhalb 1 - 2 Tage
Sofort verfügbar, Versand innerhalb 1 - 2 Tage
Sofort verfügbar, Versand innerhalb 1 - 2 Tage
Zubehör
Sofort verfügbar, Versand innerhalb 1 - 2 Tage
Sofort verfügbar, Versand innerhalb 1 - 2 Tage
Sofort verfügbar, Versand innerhalb 1 - 2 Tage
Sofort verfügbar, Versand innerhalb 1 - 2 Tage
Sofort verfügbar, Versand innerhalb 1 - 2 Tage
Sofort verfügbar, Versand innerhalb 1 - 2 Tage
Sofort verfügbar, Versand innerhalb 1 - 2 Tage
Sofort verfügbar, Versand innerhalb 1 - 2 Tage
Sofort verfügbar, Versand innerhalb 1 - 2 Tage
Sofort verfügbar, Versand innerhalb 1 - 2 Tage

Sofort verfügbar, Versand innerhalb 1 - 2 Tage
Sofort verfügbar, Versand innerhalb 1 - 2 Tage
Sofort verfügbar, Versand innerhalb 1 - 2 Tage
Sofort verfügbar, Versand innerhalb 1 - 2 Tage
Sofort verfügbar, Versand innerhalb 1 - 2 Tage
Sofort verfügbar, Versand innerhalb 1 - 2 Tage
Zubehör
Sofort verfügbar, Versand innerhalb 1 - 2 Tage
Sofort verfügbar, Versand innerhalb 1 - 2 Tage
Sofort verfügbar, Versand innerhalb 1 - 2 Tage
Sofort verfügbar, Versand innerhalb 1 - 2 Tage
Sofort verfügbar, Versand innerhalb 1 - 2 Tage
Sofort verfügbar, Versand innerhalb 1 - 2 Tage
Sofort verfügbar, Versand innerhalb 1 - 2 Tage
Sofort verfügbar, Versand innerhalb 1 - 2 Tage
Sofort verfügbar, Versand innerhalb 1 - 2 Tage
Sofort verfügbar, Versand innerhalb 1 - 2 Tage